公司简介
企业文化
发展历程
实力bsport
易福门
MTS
施迈赛
霍尼韦尔
自有品牌
ITT
希控
ETA
其他品牌
工程机械
环卫车辆
港口机械
消防车辆
高空作业
轨道交通
定制化服务
支持服务
资料下载
公司新闻
行业资讯
展会活动
职业发展
岗位需求
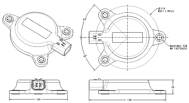
霍尼韦尔IMU 倾角传感器通过CAN J1939接口输出两轴(俯仰和横滚)的静态倾角数值。传感器可经过工厂标定零点偏移量。允许终端客户设定传感器的特定的安装指向、数据传输速率和选择总线地址。传感器倾角数据可以通过算法滤波、将振动的干扰降至最低,陀螺测量的角速度数据根据客户要求可以提供。
IMU 角度传感器报告车辆角速度、加速度和倾斜度数据。
加固型 PBT 热塑性外壳设计,适于多种严苛的应用和环境(通过 IP67 和 IP69K 认证)。
对传感器原始数据进行高级过滤,最大程度地减少噪声和振动,提高定位精度。
支持 5 V 和 9 V 到 36 V 的车辆电源系统。
符合CAN J1939通讯协议。
上一个:NT系列密封拨动开关
下一个:RTY角度传感器